+55 (43) 3027-2615
R. Barretos, 134 • Londrina, PR
Home
Quem Somos
Nossos Produtos
LINHA AGRÍCOLA
Acionamentos Pneumáticos
Acumulador
Anilhas
Blocos
Bobinas
Bombas
Buchas
Cabos
Cardã
Cilindros
Comandos
Conexões
Divisor de Fluxo
Eixos
Engates
Fatias de comando
Filtros
Flanges
Luvas
Mangotes
Mangueiras
Motores
Pá Carregadeira
Peças Hidráulicas
Peças para fatia
Peças para motor hidráulico
Peças Pneumáticas
Porcas
Reparos
Reparos de Bomba
Sensores
Válvulas
Válvulas de Retenção
Vedações
LINHA CARGAS
Bombas
Cabo de Acionamento
Cilindros
Comandos
Cruzeta
Filtros
Reparos
Tomadas
Trava da tampa
Válvula Hidráulica
Válvulas de Alívio
Válvulas de Bloqueio
Válvulas de Contrabalanço
Válvulas de Retenção
Válvulas de Sequência
Válvulas Divisoras de Fluxo
Válvulas Seletoras
Válvulas Solenóide
LINHA INDUSTRIAL
Acoplamento
Bocal
Cilindros ISO
Filtros
Flanges
Válvulas
LINHA MANGUEIRAS CONEXÕES
Bombas
LINHA RODOVIÁRIA
Bombas
Filtros
Flanges
Peças para motoniveladora
Reparos
Tratores de esteira
Travas
Válvulas
Catálogos
Notícias e Artigos
Exportação
Contato
Produtos
Página Inicial
Produtos
Linha Agrícola
Válvulas de Retenção
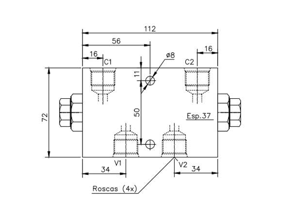
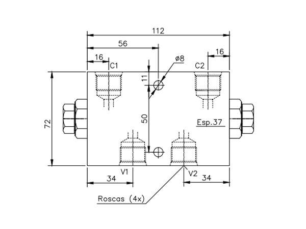
VÁLVULA RETENÇÃO PILOTADA DUPLA
Produtos relacionados
75204307 VáLVULA RETENçãO PILOTADA
70068531 VáLVULA RETENçãO PILOTADA
84993855 VÁLVULA RETENÇÃO PLATAFORMA 5070/5090 COM ELEMENTO LÓGICO
DQ10577 VáLVULA RETENçãO PILOTADA
Fique por dentro
das nossas novidades
Enviar